В других городах официальных офисов компании ВИРМАК нет!
(есть случаи работы под нашим брендом непорядочных конкурентов)
В других городах официальных офисов компании ВИРМАК нет!
(есть случаи работы под нашим брендом непорядочных конкурентов)
В других городах официальных офисов компании ВИРМАК нет!
(есть случаи работы под нашим брендом непорядочных конкурентов)
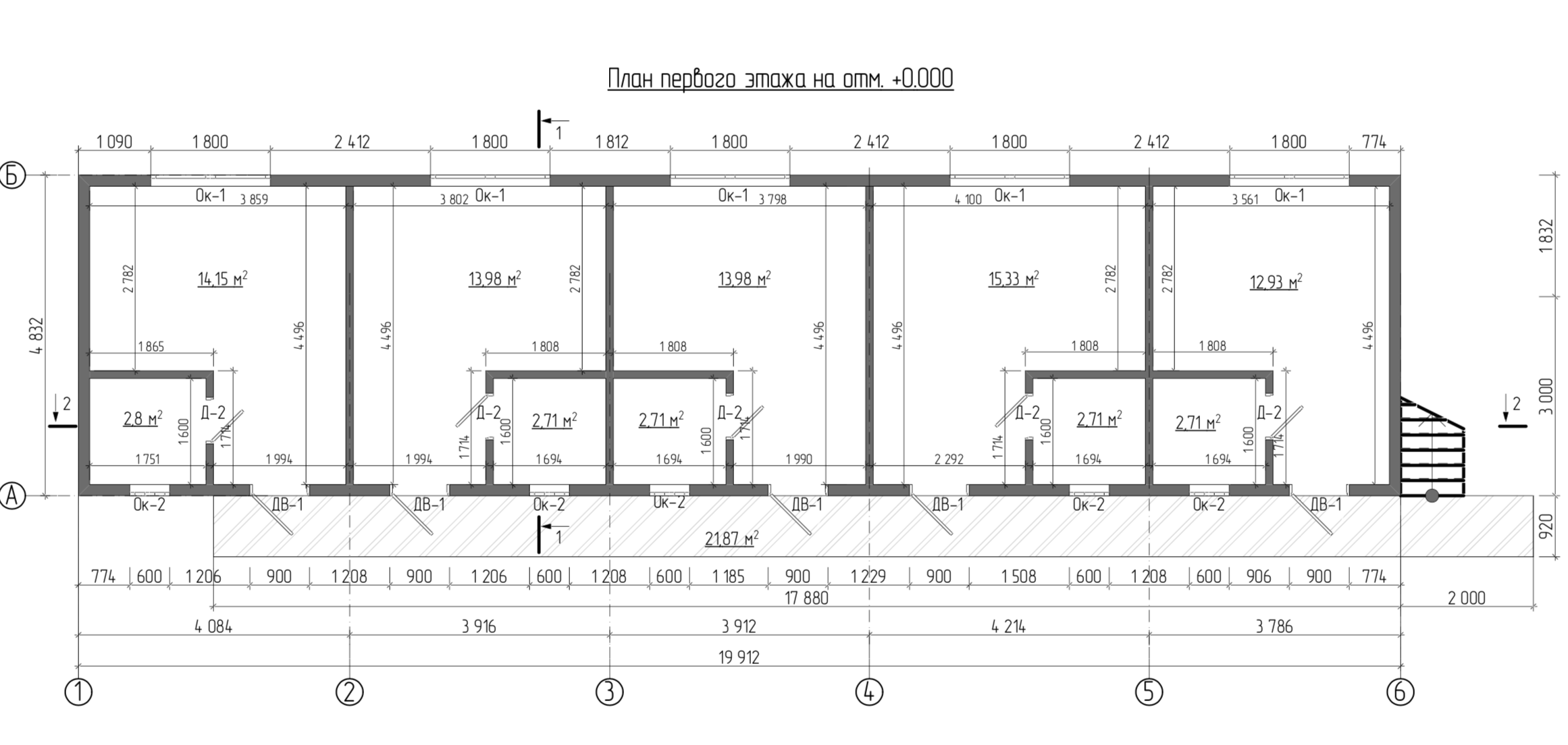
Г-3-363
Гостиница по адресу: Краснодарский край, г.Сочи, Лазаревский район, ул. Речная, 1
Общая площадь дома: 363,78 м2
Площадь застройки: 118,08 м2
Этажность: 3 этажа.
Общая площадь помещений: 252,03 м2
Террас и балконов 105,43 м2
Строительный объем: 882,9 м3
Тип фундамента: железобетонные сваи
Тип панелей: СИП панели из ЦСП с ИЗОВЕР Сендвич Лайф
Мы с радостью предоставим Вам готовые проекты по лучшим ценам!
подать документы для получения разрешения на строительство.
самостоятельно начать строительство или приобрести
готовый домокомплект
По нашим проектам мы уже вели строительство, а значит,
значительно снижен риск Вашего самостоятельного строительства.
Самая лучшая цена за проект!!!
Для проектирования и строительства
зданий из кирпича, монолита,
разных видов блока,
просим Вас посетить наш сайт:
100proekt.ru
Крышу мы выполняем из различных материалов, применяя в том числе СИП панели. В качестве кровельного материала мы используем: металлочерепицу и профиль, битумную и керамическую черепицу, фальцевую кровлю собственного производства. Также производим кровельные-фальцевые сэндвич панели.
При внешних отделочных работах на наших с вами домах мы применяем различные материалы, придавая фасадам неповторимый вид. Но наш конек - это фасадные термопанели с гибким клинкером собственного производства.
В межэтажных перекрытиях в качестве несущих лаг мы применяем двутавровые балки собственного производства с влагостойкой 24 мм. фанерой в сердечнике.
А в качестве звукоизоляционного материала мы применяем эковату собственного производства на основе базальта. Плотность нашей эковаты составляет 70- 80кг/м3!
Наши стеновые панели из ЦСП 12 мм! Шириной- 600! Шаг обрусовки в два раза чаще, чем у других. В качестве обрусовочного (соединительного) пиломатериала мы применяем клееную термостойку! (65х 140мм). Теперь никаких мостов холода и кручения пиломатериала! Термостойка нашего производства - это высокотехнологичный продукт.
В качестве утеплителя помимо полистирола мы применяем каменную мин. плиту ISOVER. Класс горючести такого утеплителя НГ- негорюч. Данный утеплитель имеет потрясающие акустические (шумоизоляционные) характеристики!
Мы строим дома на любых фундаментах по Вашим пожеланиям: буроналивные свайные, ленточные, винтовые и т.д.
Наш обвязочный брус (ростверк) выполнен из калиброванного клееного пиломатериала собственного производства и защищен снаружи ЦСП листом!
Кровля может быть построена из бруса 150х50мм или SIP панелей. В качестве кровельного материала можно использовать: металлочерепицу, битумную и керамическую черепицу. Также производим кровельные шовные сэндвич-панели.
Потолок состоит из двутавровых балок 250 мм, а шаг монтажа балок - 600 мм.
Трехслойная внешняя стеновая панель состоит из:
• два листа цементно-стружечной плиты 12 мм с обеих сторон
• внутренний теплоизоляционный слой с толщиной 148 мм двух типов: полистирол ПСБ-25 (плотностью 25 кг/м3) или минеральная вата ISOVER (плотностью 64 кг/м3).
Ростверк изготовлен из калиброванного клееного бруса и защищен снаружи цементно-стружечной плитой